阻抗匹配是为了更好获得信号效果,
可使用polar si9000软件进行pcb板级的模拟设计
下面介绍几种板级2.4G天线:(来源TI公司CC2530芯片的资料库)


ESP8266:


esp32:


esp32-pico-kit-v4_schematic.pdf:

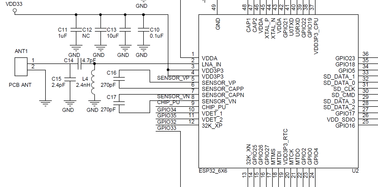
sch_esp_wroom_32_6x6.pdf:

阻抗匹配是为了更好获得信号效果,
可使用polar si9000软件进行pcb板级的模拟设计
下面介绍几种板级2.4G天线:(来源TI公司CC2530芯片的资料库)


ESP8266:


esp32:


esp32-pico-kit-v4_schematic.pdf:

sch_esp_wroom_32_6x6.pdf:

转载于:https://www.cnblogs.com/llw2017/p/9274849.html